프레스 금형(Press Mold), 대량 생산을 가능하게 하는 핵심 솔루션
1. 프레스 금형의 정의와 역할
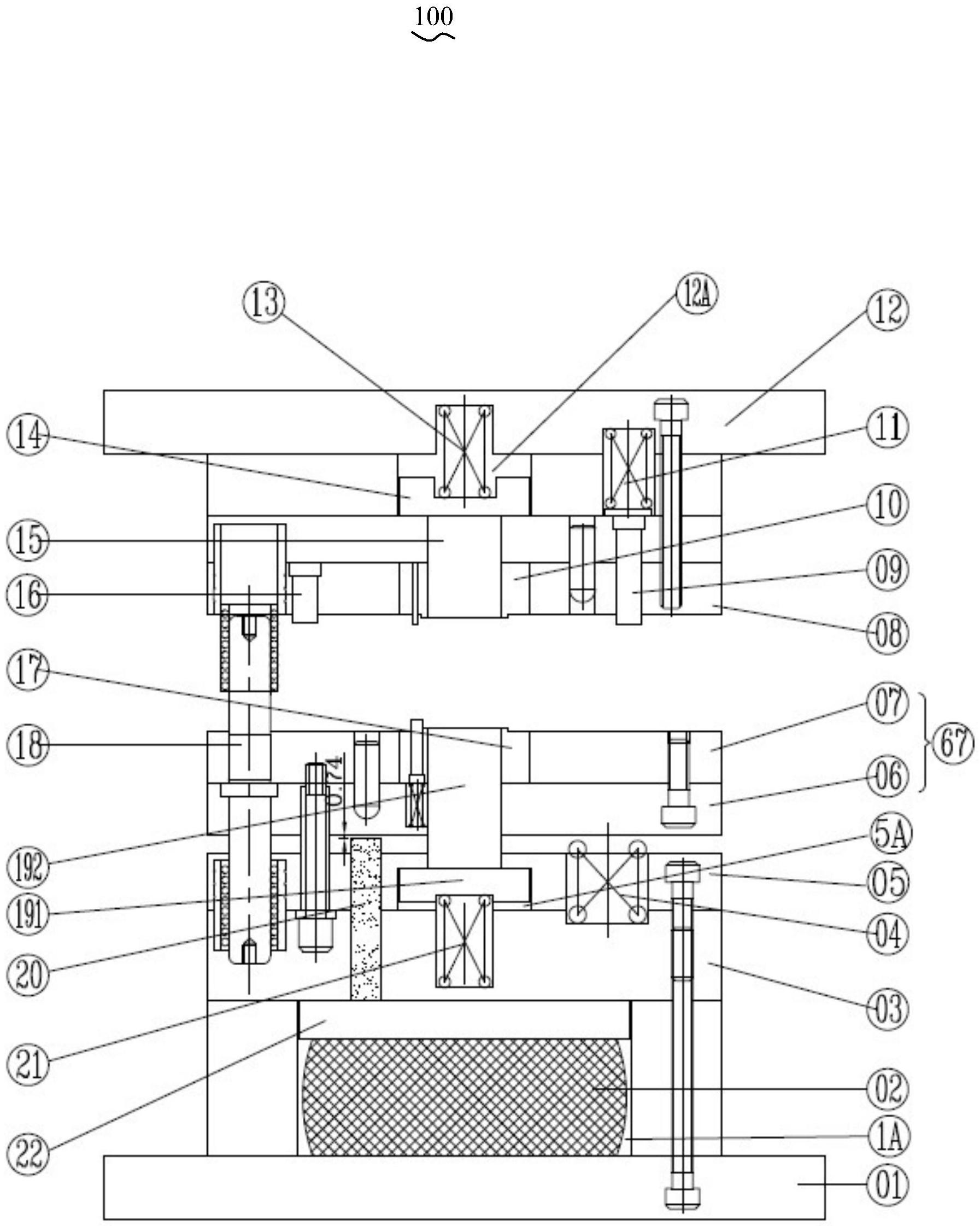
프레스 금형은 금속 판재를 원하는 형상으로 가공하기 위해 사용되는 금형으로, 절단, 굴곡, 인발 등 다양한 공정을 통해 대량 생산을 가능하게 한다. 일반적으로 프레스 금형은 상·하부 구조와 몰드베이스, 그리고 펀치와 다이, 가이드 핀 등으로 구성되며, 금속 재료가 투입되면 강한 압력을 가해 일정한 형태의 제품을 만들어낸다.
이러한 금형은 자동차 차체 패널, 가전제품 외장, 전자기기 커넥터, 포장재와 같이 대량 생산이 필요한 산업 전반에서 핵심적으로 사용된다. 금형의 정밀도가 곧 생산되는 제품의 품질로 이어지기 때문에, 프레스 금형은 산업 경쟁력을 좌우하는 중요한 자산이라 할 수 있다.

2. 프레스 금형의 주요 공정과 특징
프레스 금형에서 수행되는 공정은 단순히 금속을 절단하거나 굴곡시키는 수준을 넘어, 다양한 형태의 복합 성형을 포함한다. 초기 단계에서는 금속 판재를 절단하여 기초 형상을 만든 후, 굴곡과 인발 과정을 거쳐 입체적인 제품으로 발전한다.
최근에는 한 금형에서 여러 단계를 동시에 수행할 수 있는 프로그레시브 금형이 널리 사용되고 있다. 이 방식은 절단, 굴곡, 인발 등을 연속적으로 처리하기 때문에 생산성이 높고, 사이클 타임을 단축할 수 있다는 장점이 있다. 예를 들어, 자동차용 패널이나 배터리 케이스와 같은 부품은 프로그레시브 금형을 통해 불량률을 최소화하면서도 대량 생산이 가능하다.
프레스 금형의 정밀도는 평균적으로 ±0.01mm, 경우에 따라 ±0.005mm 수준까지 요구된다. 이는 곧 금형 제작 기술의 수준이 곧바로 최종 제품 품질과 연결된다는 점을 보여준다.
3. 소재와 내구성 확보 방법
프레스 금형은 반복적인 충격과 마찰에 노출되기 때문에 소재 선택이 매우 중요하다. 일반적으로 SKD11, SKH51, DC53 등의 고강도 공구강이 활용된다.
-
SKD11은 내마모성이 우수하여 절단 금형에 적합하며, 반복적인 생산 환경에서도 안정성을 유지한다.
-
SKH51은 내열성이 뛰어나 고속 프레스 가공에 사용된다.
-
DC53은 인성이 강화된 강재로 균열 발생을 억제할 수 있어 대형 금형 제작에 활용된다.
이러한 소재는 단순히 사용되는 것이 아니라, 진공 열처리, 초심냉 처리 등을 통해 강도와 내구성이 강화된다. 열처리 과정을 거친 금형은 내마모성이 약 20% 이상 향상되고, 사용 수명도 현저히 늘어난다. 이는 장기적인 생산 효율성을 고려할 때 필수적인 기술적 요소라 할 수 있다.
4. 몰드베이스의 중요성과 구조적 안정성
프레스 금형의 핵심 구조 중 하나가 몰드베이스(모판) 이다. 몰드베이스는 금형의 모든 부품을 지탱하는 뼈대 역할을 하며, 금형 전체의 정밀성과 강성을 보장한다. 상·하부 몰드베이스의 평행도와 직각도가 유지되지 않으면, 펀치와 다이의 간극이 어긋나 불량률이 높아질 수 있다.
따라서 몰드베이스는 단순한 보조 구조물이 아니라 금형의 성능을 좌우하는 핵심 부품이다. 일반적으로 표준형과 비표준형으로 나뉘며, 제품 구조와 생산 목적에 맞춰 맞춤 제작되기도 한다. 예를 들어, 자동차 차체 금형에서는 대형·고강도의 몰드베이스가 필요하고, 전자부품 금형에서는 소형·고정밀 몰드베이스가 요구된다.
5. 프레스 금형의 유지 관리
프레스 금형은 사용 과정에서 지속적인 마모가 발생하므로 정기적인 유지 관리가 필수적이다. 펀치와 다이의 간극을 점검하지 않으면 제품의 치수 편차가 커지고, 불량률이 급격히 증가할 수 있다. 또한 금형 표면의 청소와 윤활 관리가 제대로 이루어지지 않으면, 수명 단축뿐만 아니라 생산 라인 전체의 효율성에도 부정적인 영향을 준다.
산업 보고서에 따르면, 정기적인 유지보수 프로그램을 운영할 경우 금형의 평균 사용 수명이 약 1.5배 연장되는 것으로 나타난다. 이는 초기 유지 관리 비용이 장기적으로는 생산 원가 절감 효과로 이어짐을 보여준다.

6. 산업적 의의와 향후 전망
글로벌 프레스 금형 시장은 2024년 기준 약 580억 달러 규모로 평가되며, 연평균 성장률은 약 4% 이상으로 전망된다. 특히 자동차 산업은 전체 수요의 60% 이상을 차지하고 있으며, 전기차(EV)와 배터리 산업의 확산은 복잡한 구조와 고정밀 금형 수요를 더욱 확대시키고 있다.
한국을 포함한 아시아 지역은 전자, 반도체, 자동차 산업이 집중된 지역으로, 프레스 금형 기술 발전과 수요가 동시에 이루어지고 있는 대표적인 시장이다. 향후 프레스 금형은 단순히 대량 생산을 가능하게 하는 도구를 넘어, 정밀성·내구성·효율성을 동시에 만족시키는 고부가가치 기술로 자리 잡을 것으로 전망된다.
결론
프레스 금형은 금속 가공 산업에서 없어서는 안 될 핵심 도구이다. 정밀한 구조 설계와 적합한 소재 선택, 체계적인 유지 관리가 결합되어야 비로소 산업 현장에서 안정적인 생산성과 품질을 확보할 수 있다. 나아가 자동차, 전자, 가전 등 다양한 산업 분야에서 프레스 금형은 제품 경쟁력과 생산 효율성을 동시에 결정하는 중요한 기반 기술로 평가된다.